服务热线全国服务热线:

13853369300

您的位置: 当前位置:首页 - MBR0.4型板式换热器

产品展示

MBR0.4型板式换热器

   详细介绍

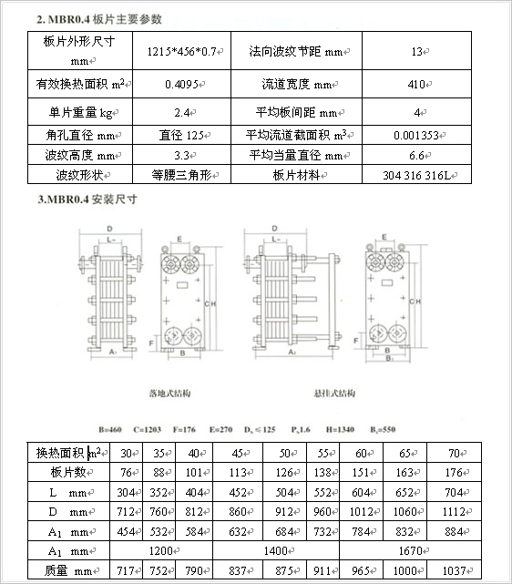
MBR0.4型板式换热器产品简介:我厂生产的MBR0.4型板式换热器,具有换热效率高,物料流阻损失小,结构紧凑,温度控制灵敏,操作弹性大,装拆清洗方便,使用寿命长等特点,是目前国内最先进的高效换热器。

我厂生产的MBR0.4型板式换热器产品,可处理的物料非常广泛,从普通的工业用水,到高粘度的液体,从卫生要求较高的食品液体、医药物料到具有一定腐蚀性的酸碱液体,从含小颗粒粉体液体物料到含少量纤维的悬浮液体均可采用板式换热器处理。

MBR0.4型板式换热器应用广泛,可用于加热、冷却、蒸发、冷凝、杀菌消毒、热力回收等场合。如冷却发电机组和整流器内循环水;冶金矿山等机械润滑油;液压站、稀油站的液压油;机械制造中的淬火油、电镀溶液等;用于食品酿造行业中麦芽汁、蛋液、食用油的杀菌消毒,啤酒、葡萄酒的杀菌处理;用于轻纺工业、造纸行业中的余热回收;收集冷凝水,集中供热;汽改水暖;锅炉除氧系统中的中间加热等,板式换热器都是最联想的换热设备。目前已广泛用于冶金、矿山、石油、化工、电力、医药、食品、化纤、轻纺、造纸、船舶和集中供热等工业部门。

MBR0.4型板式换热器结构原理:
    可拆卸板式换热器是由许多冲压有波纹槽的金属薄板,按一定间隔,四周通过垫片密封,并用框架和压紧螺栓重叠压紧而成,板片和垫片的四个角孔形成了流体的分配管和汇集管,同时又合理地将冷热流体分开,使其分别在每块板片两侧的流道中流动,通过板片进行热交换。

MBR0.4型板式换热器订货须知:
1、根据用户使用条件不同,我厂产品接管及接管法兰有碳钢和不锈钢之分,订货时应写清楚换热器的规格型号、接管及法兰材质。
2、密封垫片一般供货为耐油橡胶垫片,有特殊要求可按特殊材质垫片供货。目前,我厂橡胶垫片主要有丁睛橡胶垫、三元乙丙胶垫、卫生胶垫,色泽有黑、白、橙、绿。
3、设备流程组合可按用户要求安排生产,当用户自己不能选型计算时,可委托我厂代为计算并安排流程和换热面积。
热烈欢迎新老客户前来选购淄博某某板式换热器等各种产品。

淄博泰勒换热设备股份有限公司是专业的生产板式换热器厂家,以真诚取信誉,以优惠的板式换热器价格,热情的服务,回报广大客户。本公司生产的产品有:板式换热器,不锈钢板式换热器,板式换热器机组,板式换热器维修等,产品畅销全国,深受用户好评。欢迎访问:http://www.banshihuanreqi.net/

  • 淄博泰勒换热设备股份有限公司 联系人:田经理 手机:13853369300 地址:山东省淄博市博山区福山西岭街32号